Den mycket efterlängtade Guangzhou International Low-Altitude Economy Expo 2025 kommer att öppna ...
READ MOREBeskrivning
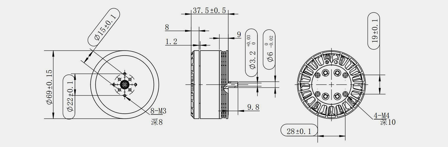
Den borstlösa drönarmotorn LN6215 är en högpresterande kraftlösning designad för professionella UAV:er som kräver både effektivitet och tillförlitlighet. Den här motorn är kompatibel med 12S LiPo-batterier och finns i alternativen 150kV, 160kV och 170kV, vilket ger operatörerna flexibiliteten att optimera för uthållighet, hastighet eller nyttolastkapacitet.
Med en maximal dragkraft på 3 kg, levererar LN6215 stabil lyftkraft och konsekvent uteffekt, vilket gör den lämplig för flygfotograferingsdrönare, kartläggningsdrönare, inspektions-UAV, jordbrukssprutdrönare och industriella multirotorer. Dess precisionskonstruerade konstruktion säkerställer låga vibrationer, mjuk rotation och förbättrad flygstabilitet, även under krävande förhållanden.
Viktiga fördelar inkluderar:
Hög effektivitet – Optimerad design minskar energiförlusten och förlänger flygtiden.
Hållbar konstruktion – Pålitlig prestanda med avancerad värmeavledning för längre livslängd.
Flexibla kV-alternativ – 150kV för lång uthållighet, 160kV för balanserad prestanda och 170kV för höghastighetsflyg.
Stark dragkraft – Upp till 3 kg dragkraft för att stödja olika nyttolaster och professionella applikationer.
Oavsett om det gäller lantmäteri, filmskapande, jordbruk eller industriella inspektioner, ger LN6215 den kraft och stabilitet som behövs för professionella UAV-operationer.
Retek
Parameter
Förfrågan
| Elektrisk Spec. | ||||||||||||||||||||||||||
| KV | Batteri Spec. | Max. Tryckkraft (KG) | Recom.Takeoff Vikt (KG) | Systemvikt (KG) | Max. Aktuell (A) | Max. Lura. Aktuell (A) | Motor Dim. (mm) | Stator Dim. (mm) | Montering Dim. (mm) | Prop. (tum) | ||||||||||||||||
| 150 | 10S-12S | 12 | 3-5 | 0.32 | 17.2 | 5.5 | φ91*37,5 | φ83*13 | 4-M5*10 | 2480 | ||||||||||||||||
| Stötkraft Testing Data | ||||||||||||||||||||||||||
| Propeller (tum) | Spänningar (V) | Gasspjäll (%) | Ladda Valuta (A) | Thrust (g) | Kraft (W) | Effektivitet (g/W) | ||||||||||||||||||||
| GF2480 | 46.05 | 40 % | 4.6 | 2416 | 212.2 | 13.18 | ||||||||||||||||||||
| 46.04 | 46 % | 7.4 | 3377 | 343.8 | 12.16 | |||||||||||||||||||||
| 46.03 | 50 % | 9.9 | 4106 | 460.2 | 11.10 | |||||||||||||||||||||
| 46.01 | 56 % | 14.1 | 5209 | 653.2 | 10.47 | |||||||||||||||||||||
| 46.04 | 60 % | 17.3 | 5947 | 800 | 9.58 | |||||||||||||||||||||
| 46.00 | 66 % | 22.6 | 7086 | 1048.3 | 8.88 | |||||||||||||||||||||
| 45.97 | 70 % | 26.6 | 7779 | 1230 | 8.35 | |||||||||||||||||||||
| 45.96 | 75 % | 32.7 | 9016 | 1514 | 7.73 | |||||||||||||||||||||
| 45.94 | 80 % | 37.6 | 9782 | 1742 | 7.30 | |||||||||||||||||||||
| 45.91 | 85 % | 39.8 | 10253 | 1830.8 | 6.78 | |||||||||||||||||||||
| 45.89 | 90 % | 43.6 | 10731 | 2005 | 6.25 | |||||||||||||||||||||
| 45.84 | 95 % | 47.3 | 11232 | 2175.8 | 5.83 | |||||||||||||||||||||
| 45.85 | 100 % | 51.8 | 11822 | 2398 | 5.76 | |||||||||||||||||||||
Ange din information.
Oavsett om du vill bli vår partner eller behöver vår professionella vägledning eller support inom produkt val och problemlösningar, våra experter är alltid redo att hjälpa till inom 12 timmar globalt!
Den mycket efterlängtade Guangzhou International Low-Altitude Economy Expo 2025 kommer att öppna ...
READ MOREPrestandaomslaget för obemannade flygfordon (UAV) är strikt definierat av deras framdrivningssyst...
READ MORENyligen gjorde en delegation av viktiga europeiska kunder ett speciellt besök på vårt företag för...
READ MOREFörstå vad a Coreless DC-motor Erbjuder verkligen Varför ingenjörer byter till kärnlösa...
READ MOREVår Drone Motors debuterade på Shenzhen Military-Civilian Expo med rungand...
READ MOREIntroduktion: Fånga smärtpunkterna Känner du någon gång att din takfläkt bara inte drar på sig...
READ MORE